Martigny

Martigny

Oberflächenbehandlung:

1 x 4 seitig Aquadecks Schwarz tkend
2 x 3 seitig Aquadecks Schwarz tkend

Oberfläche:
Gehobelt

Dimension:
26 x 160 mm

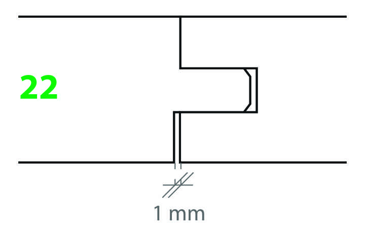
Profil:

Fertigstellung:
2020

Art des Gebäudes:
Büros

Art der Realisierung:
Neubau