St-Pierre-de-Clages

St-Pierre-de-Clages

Oberflächenbehandlung:

Oberfläche:
Sägeroh

Dimension:
22 x 160 mm

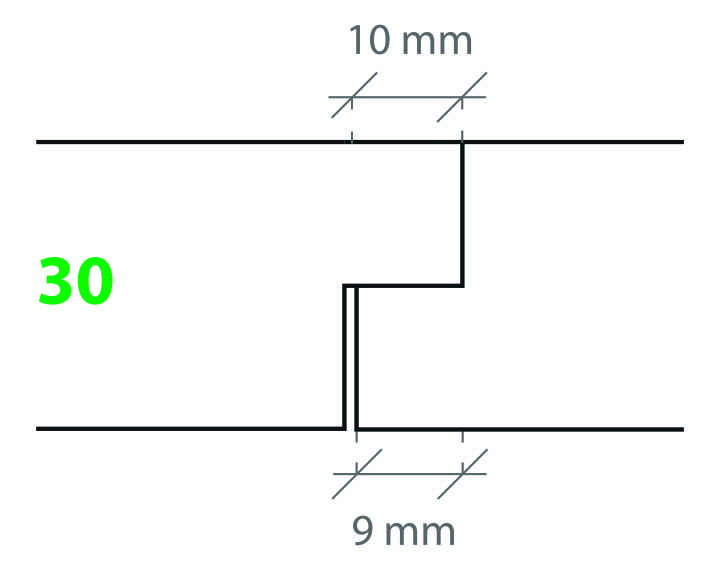
Profil:

Fertigstellung:
Oktober 2020

Art des Gebäudes:
Werkstatt

Art der Realisierung:
Neubau