Zinal

Zinal

Oberflächenbehandlung:

Oberfläche:
Gehobelt

Dimension:
24 x 200 mm

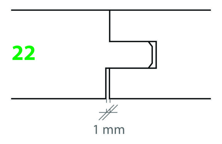
Profil:

Fertigstellung:
2019

Art des Gebäudes:
Hotel

Art der Realisierung:
Neubau